Полумуфта GE 90-100 A с готовым отверстием d65 шпон паз 18х4,4мм+винт М12 СТАЛЬ, EMT
Арт. GE090A65EMT
Характеристики
Посадка на вал
—
Со шпонкой
Тип муфты
—
GE 90-100
Ширина полумуфты, C, мм
—
100
Диаметр ступицы, М, мм
—
160
Ширина шпоночного паза, B, мм
—
18±0,0215
23 980 руб./шт
Гарантия производителя
Цена действительна при наличии товара на складе.
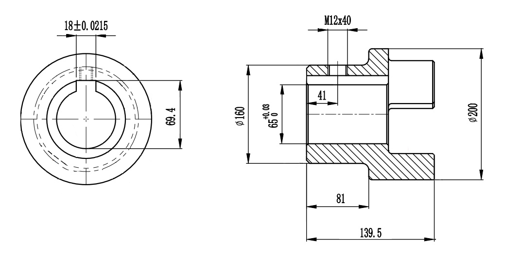
Полумуфта GE 90-100 тип А, с готовым отверстием d=65 мм и шпон пазом 18х4,4мм+винт М12, бренда EMT – это высококачественный механический компонент, предназначенные для передачи вращательного момента между валами в различных машинах и установках. Полумуфта изготовлена из прочной легированной стали, которая обеспечивает высокую износостойкость и устойчивость к коррозии. Готовое отверстие выполнено со строгими допусками, что помогает обеспечить надежное соединение с валами различных диаметров. Шпон Паз оснащен стандартными шпонками, что улучшает зацепление и предотвращает соскальзывание, особенно в условиях высокой нагрузки.
Посадка на вал
Со шпонкой
Тип муфты
GE 90-100
Ширина полумуфты, C, мм
100
Диаметр ступицы, М, мм
160
Ширина шпоночного паза, B, мм
18±0,0215
Максимальный диаметр отверстия, dmax ,мм
65
D, мм
200
L, мм
245
G, мм
41
F, мм
100
e, мм
45
R, мм
81,0
K, мм
69,4
S, мм
5,5
P,мм
М12х40
Диаметр отверстия, d ,мм
65
Производитель
EMT
Материал
Сталь
Вес, кг
13,5

