Коническая пара прямозубая (B) C27B191, передат. число=1:1, M=1,5, Z=19/19, EMT
Арт. C27B191
Характеристики
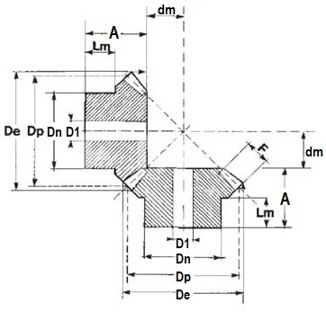
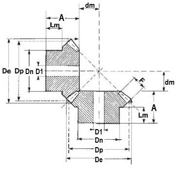
Модуль, М
—
1,5
A, мм
—
21,3
D1, мм
—
8
F, мм
—
7
Lm, мм
—
12
1 535 руб./шт
Гарантия производителя
Цена действительна при наличии товара на складе.
Коническая пара прямозубая, тип В, i=1:1, М=1,5, Z=19/19, под брендом "ЕМТ", является механизмом, состоящий из скрепленных колес с зубьями. Предназначены для передачи крутящего момента под углом 90 град. Имеют угол наклона зубьев 20 градусов и необходимы, когда пересекаются приводные валы и требуется передать вращательное движение.
Модуль, М
1,5
A, мм
21,3
D1, мм
8
F, мм
7
Lm, мм
12
Dn, мм
20,3
Количество зубьев,шт
19
De, мм
30,6
Передаточное отношение
1:1
dm, мм
8,7
Dp, мм
28,5
Производитель
EMT
Материал
Сталь C45
Вес, кг
0,05

