Коническая пара прямозубая (B) C28B221, передат. число=1:1, M=2, Z=22/22, EMT
Арт. C28B221
Характеристики
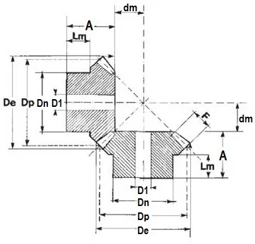
Модуль, М
—
2
A, мм
—
27,9
D1, мм
—
12
F, мм
—
10
Lm, мм
—
14
1 995 руб./шт
Гарантия производителя
Цена действительна при наличии товара на складе.
Коническая пара прямозубая, тип В, i=1:1, М=2, Z=22/22, под брендом "ЕМТ", является механизмом, состоящий из скрепленных колес с зубьями. Предназначены для передачи крутящего момента под углом 90 град. Имеют угол наклона зубьев 20 градусов и необходимы, когда пересекаются приводные валы и требуется передать вращательное движение.
Модуль, М
2
A, мм
27,9
D1, мм
12
F, мм
10
Lm, мм
14
Dn, мм
30,3
Количество зубьев,шт
22
De, мм
46,8
Передаточное отношение
1:1
dm, мм
14,1
Dp, мм
44
Производитель
EMT
Материал
Сталь C45
Вес, кг
0,18

