Муфта кулачковая безлюфтовая GS9 4/4 dmax=11 мм, EMT
Арт. GS94/4EMT
Характеристики
Тип муфты
—
9
Ширина полумуфты, C, мм
—
10
D, мм
—
20
L, мм
—
30
F, мм
—
7,2
662 руб./шт
Гарантия производителя
Цена действительна при наличии товара на складе.
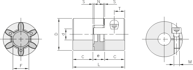
Соединительная безлюфтовая муфта GS9- 4/4 мм, dmax=11мм, российского бренда EMT, предназначена для использования в различных станках, агрегатах, измерительном и другом оборудовании. Обладают малым размером и низкой инерцией вращения за счет легкого алюминиевого сплава. Обжатие валов происходит при помощи фиксирующих винтов, что позволяет избежать зазоров и люфтов. Полиуретановые упругие элементы предотвращают и снижают уровень вибрации, компенсируют радиальные и угловые отклонения. Большой выбор эластомеров (упругих элементов с разной жесткостью по Shore) обеспечивают широкое применение данных муфт, использование в оборудовании с разными крутящими моментами. Допуск на готовое отверстие соответствует ISO H7.
Тип муфты
9
Ширина полумуфты, C, мм
10
D, мм
20
L, мм
30
F, мм
7,2
e, мм
10
S, мм
1
Диаметр чернового отверстия d, мм
4
Тип болта, мм
M2,5
Максимальный диаметр отверстия, d ,мм
11
Производитель
EMT
Материал
Алюминий
Вес, кг
0,01

