Втулка зажимная BK 16 (RCK 16) 160x210 (KLAB160), EMT
Арт. BK016160210EMT
Характеристики
Тип
—
BK 16
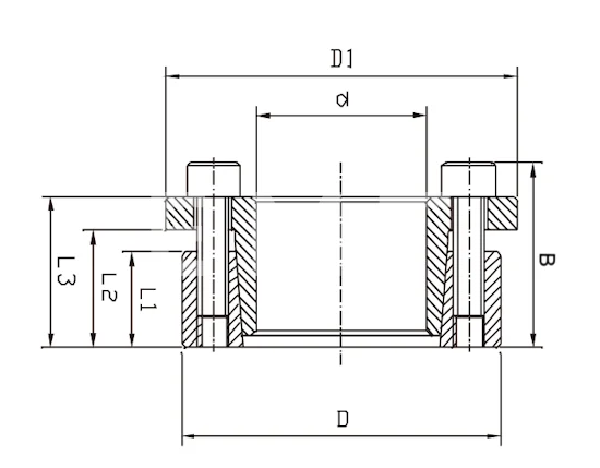
D1, мм
—
219
B, мм
—
68
Тип болта, мм
—
M14x40
Давление на поверхность ступицы, N/мм2
—
135
14 281 руб./шт
Гарантия производителя
Цена действительна при наличии товара на складе.
Втулка зажимная BK 16 160 x 210 (KLAB160), EMT применяется для монтажа звезд, шкивов, барабанов и других изделий на цилиндрический, бесшпоночный вал.
Тип
BK 16
D1, мм
219
B, мм
68
Тип болта, мм
M14x40
Давление на поверхность ступицы, N/мм2
135
Крутящий момент, Nm
26119
Давление на поверхность вала, N/мм2
177
Количество болтов, шт
11
Длина втулки L3, мм
54
Момент затяжки, Nm
230
Длина втулки L1, мм
34
Нагрузка, KN
326
Длина втулки L2, мм
40
Размер, d x D, мм
160 x 210
Производитель
EMT
Материал
Сталь C45
Вес, кг
6,00

