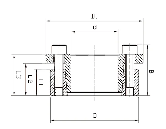
Втулка зажимная BK 16 (RCK 16) 260x325 (KLAB260), EMT
Арт. BK016260325
Характеристики
Производитель
—
EMT
47 781 руб./шт
Гарантия производителя
Цена действительна при наличии товара на складе.

