Втулка зажимная BK 40 (RCK 40) 30x55 (KLGG030), EMT
Арт. BK040030055EMT
Характеристики
Тип
—
BK 40
B, мм
—
26
Тип болта, мм
—
M6x18
Давление на поверхность ступицы, N/мм2
—
124
Крутящий момент, Nm
—
588
1 303 руб./шт
Гарантия производителя
Цена действительна при наличии товара на складе.
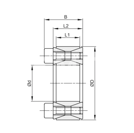
Втулка зажимная BK 40 30 x 55 (KLGG030), EMT применяется для монтажа звезд, шкивов, барабанов и других изделий на цилиндрический, бесшпоночный вал.
Тип
BK 40
B, мм
26
Тип болта, мм
M6x18
Давление на поверхность ступицы, N/мм2
124
Крутящий момент, Nm
588
Давление на поверхность вала, N/мм2
227
Количество болтов, шт
10
Момент затяжки, Nm
14,9
Длина втулки L1, мм
17
Нагрузка, KN
39
Длина втулки L2, мм
20
Размер, d x D, мм
30 x 55
Производитель
EMT
Материал
Сталь C45
Вес, кг
0,29

