Втулка зажимная BK 45 (RCK 45) 38x60 (KLHH038), EMT
Арт. BK045038060EMT
Характеристики
Тип
—
BK 45
B, мм
—
28
Тип болта, мм
—
M6x16
Давление на поверхность ступицы, N/мм2
—
100
Крутящий момент, Nm
—
680
1 389 руб./шт
Гарантия производителя
Цена действительна при наличии товара на складе.
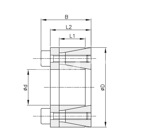
Втулка зажимная BK 45 38 x 60 (KLHH038), EMT применяется для монтажа звезд, шкивов, барабанов и других изделий на цилиндрический, бесшпоночный вал.
Тип
BK 45
B, мм
28
Тип болта, мм
M6x16
Давление на поверхность ступицы, N/мм2
100
Крутящий момент, Nm
680
Давление на поверхность вала, N/мм2
170
Количество болтов, шт
12
Момент затяжки, Nm
17
Длина втулки L1, мм
15
Нагрузка, KN
35
Длина втулки L2, мм
22
Размер, d x D, мм
38 x 60
Производитель
EMT
Материал
Сталь C45
Вес, кг
0,36

