Втулка зажимная BK 45 (RCK 45) 42x70 (KLHH042), EMT
Арт. BK045042070EMT
Характеристики
Тип
—
BK 45
B, мм
—
36
Тип болта, мм
—
M8x22
Давление на поверхность ступицы, N/мм2
—
110
Крутящий момент, Nm
—
1480
1 852 руб./шт
Гарантия производителя
Цена действительна при наличии товара на складе.
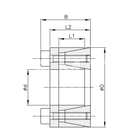
Втулка зажимная BK 45 42 x 70 (KLHH042), EMT применяется для монтажа звезд, шкивов, барабанов и других изделий на цилиндрический, бесшпоночный вал.
Тип
BK 45
B, мм
36
Тип болта, мм
M8x22
Давление на поверхность ступицы, N/мм2
110
Крутящий момент, Nm
1480
Давление на поверхность вала, N/мм2
190
Количество болтов, шт
12
Момент затяжки, Nm
41
Длина втулки L1, мм
18
Нагрузка, KN
70
Длина втулки L2, мм
28
Размер, d x D, мм
42 x 70
Производитель
EMT
Материал
Сталь C45
Вес, кг
0,45

